Печь Harvia M2 классической конструкции подходит для небольших саун на дровах. Она создает атмосферу традиционной сауны и дарит настоящим ценителям моменты идеального отдыха. Равномерное тепло, выделяемое печью, и эффективная циркуляция воздуха гарантируют приятную и расслабляющую атмосферу в сауне.
Цвет печи – элегантный черный графит. Печь может быть оснащена водонагревателем модели для установки на трубу.
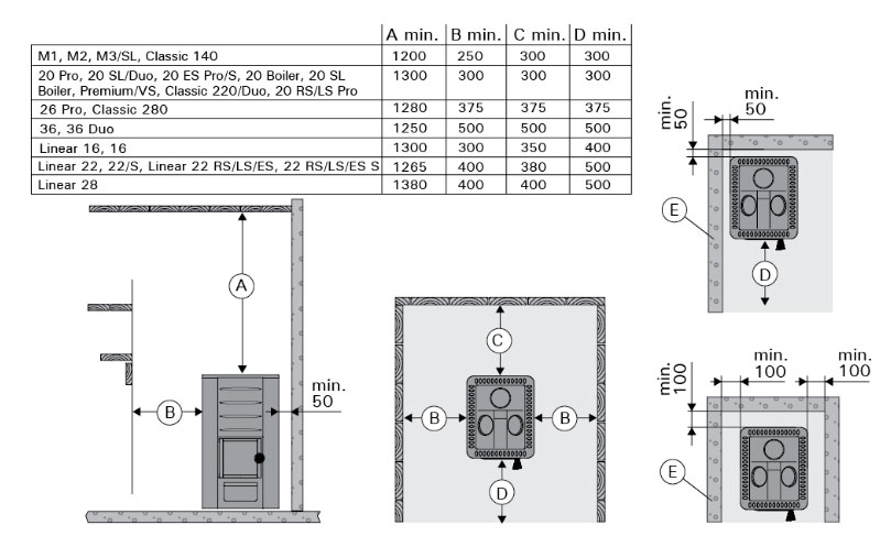
Характеристики
- Топочная дверца: стекло 5мм
- Топится: парильного помещения
- Мощность, кВт: 16,50
- Высота, мм: 710
- Ширина, мм: 390
- Глубина, мм: 430
- Вес камней, кг: 30
- Диаметр дымохода, мм: 115
- Регулируемые ножки, мм: 0-30
- Объем парильного помещения, м3: 6-13
- Вес, кг: 45





